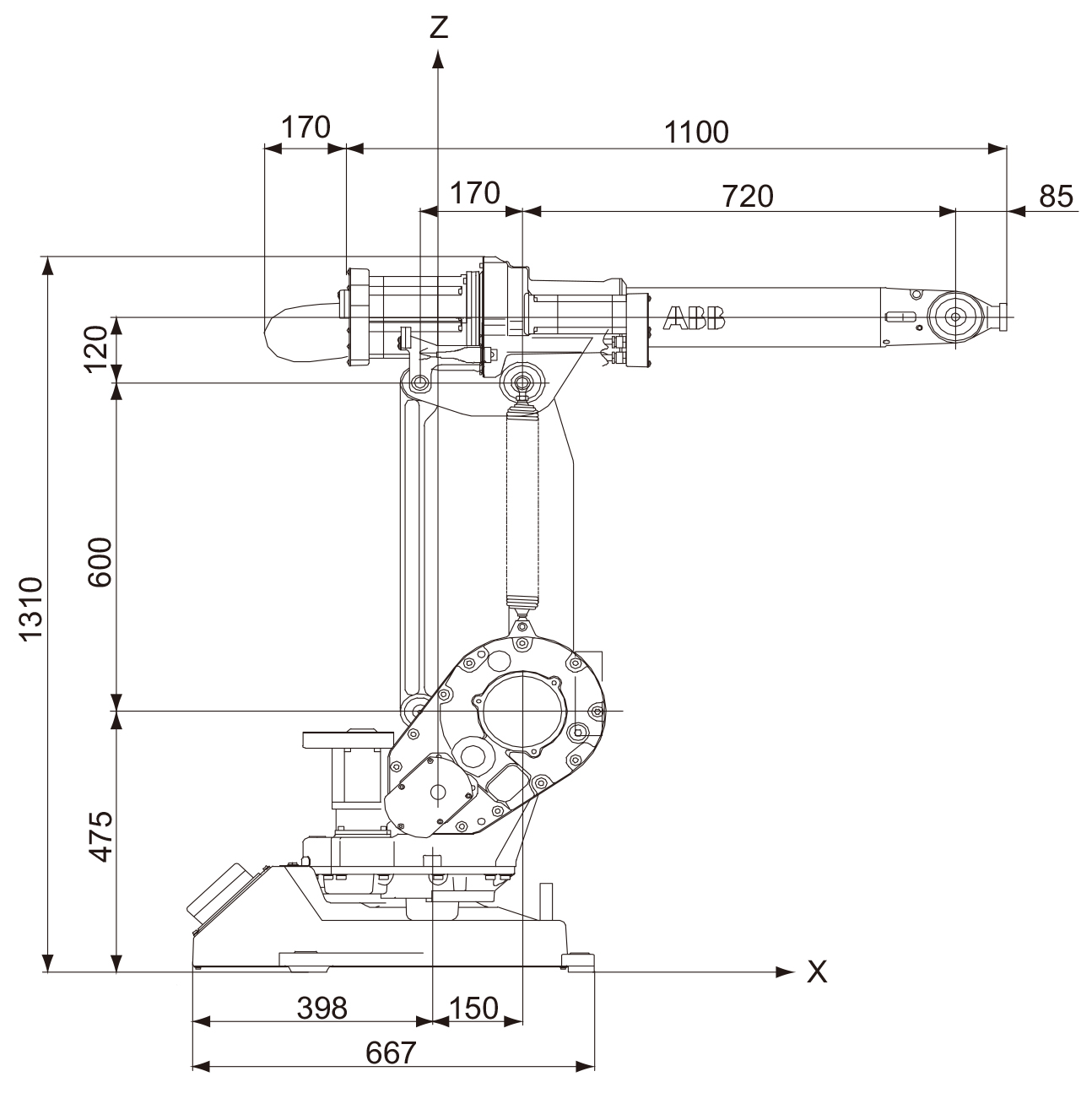
ABB弧焊機器人IRB1410本體

ABB機器人IRB1410性能參數:
載荷:5 kg;
附加載荷:18 kg(第3軸),19 kg(第1軸);
軸數:6;
集成信號源:上臂12路信號;
集成氣源:上臂最高8 bar;
重復定位精度:0.05mm(ISO試驗平均值);
TCP最大速度:2.1 m/s
電源電壓:200-600V,50/60Hz
變壓器額定值:4kVA/7.8kVA,帶外軸
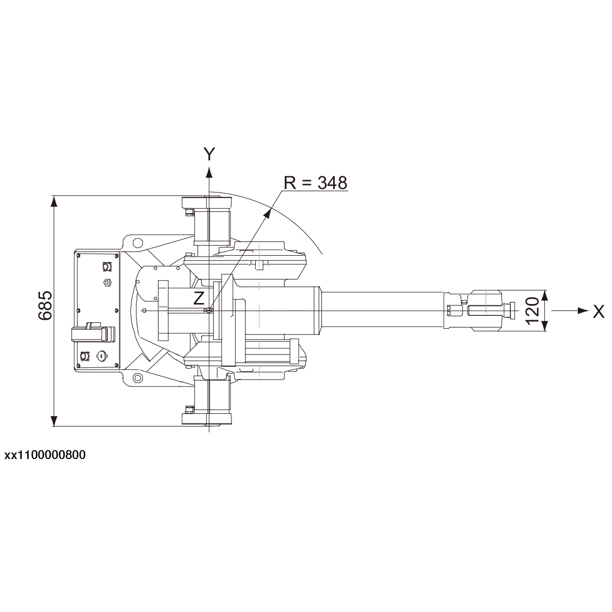
機器人底座:620*450 mm
本體重量:225 kg

ABB機器人IRB1410是專門為弧焊設計的,設送絲機走線安裝孔,為機械臂搭載工藝設備提供便利。在實戰中總結考驗,多次優化,弧IRB 1410手腕荷重5kg;上臂提供獨有18kg附加荷重,可搭載各種工藝設備。精湛的控制水平和循徑精度確保了完美的焊接質量。


傳統機器人在低速情況下實際路徑與編程路徑相吻合,但是在高速情況下做轉彎運動時,實際路徑就會偏離編程路徑。基于高級前饋伺服控制技術的TrueMove極大的提升了運動控制精度,解決了機器人在高速情況下實際運動路徑偏離編程路徑的問題,真正實現了所編即所得。
Tags:
